|
| |
| 角位移传感器,角度传感器,直线位移传感器,KTRB电子尺,电子尺,拉线电子尺,直线电位器,注塑机电子尺,KTC,KTF,KTR,KTS,KTM,KTRA,KTRB,KTRC,角位移传感器,角度传感器,直线位移传感器,KTRB电子尺,电子尺,拉线电子尺,直线电位器,注塑机电子尺,KTC,KTF,KTR,KTS,KTM,KTRA,KTRB,KTRC,角位移传感器,角度传感器,直线位移传感器,KTRB电子尺,电子尺,拉线电子尺,直线电位器,注塑机电子尺,KTC,KTF,KTR,KTC,KTF,KTR,KTS,KTM,KTRA,KTRB,KTRC,KTS,KTM,KTRA,KTRB,KTRC,位移传感器,角位移传感器,角度传感器,直线位移传感器,KTRB电子尺,电子尺,拉线电子尺,直线电位器,注塑机电子尺,KTC,KTF,KTR,KTS,KTM,KTRA,KTRB,KTRC,位移传感器,角位移传感器,角度传感器,直线位移传感器,KTRB电子尺,电子尺,拉线电子尺,直线电位器,注塑机电子尺,KTC,KTF,KTR,KTS,KTM,KTRA,KTRB,KTRC,电子尺,电子尺,电子尺, |
| |
|
|
|
| 您现在的位置:上海拓准电子科技有限公司>
产品资讯-位移传感器-KTRB自恢复系列滚珠测头直线位移传感器 |
|
|
 |
参数 :
KTR自恢复系列特性:
A、一亿次超长寿命
B、线性度 ≤0.1%
C、重复精度 <0.01mm
D、内置弹簧自动恢复
E、保护等级 IP65
F、mini设计,适合受限空间使用
G、滚珠测头
|
|
| |
|
|
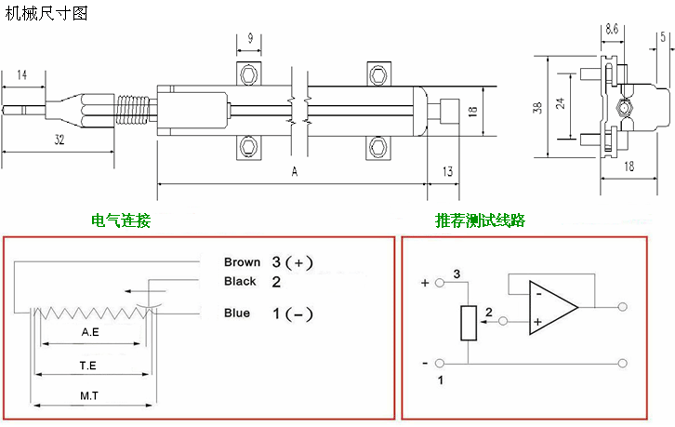
KTRB自恢复系列的线性位移传感器用于空间受限情况下的位移和长度测量。铝制外壳做阳极电泳处理,外观靓丽,耐腐蚀性强. 由于内部采用导电塑料,产品可以在流畅运行的基础上输出低噪顺滑信号。这种传感器通过外置弹簧实现自动恢复功能,所以连接方式非常简单,只需要把测头接触在被测目标就可以了.归因于电阻轨道的线性修刻技术,提供给您的不仅是合乎要求的线性度,而且可以随您所愿的将电阻修刻到您指定的数值,例如5678Ω或者8765Ω
|
 |
| 型号 |
Unit |
10 |
25 |
50 |
75 |
100 |
| 量程 |
mm |
10 |
25 |
50 |
75 |
100 |
| 电气行程(T.E) |
mm |
11 |
26 |
51 |
76 |
101 |
| 总长 |
mm |
127 |
157 |
207 |
257 |
307 |
| 电阻 |
KΩ |
1 |
1 |
5 |
5 |
5 |
| 电阻误差 |
±% |
20 |
| 线性度 |
% |
0.1 |
0.1 |
0.09 |
0.08 |
0.08 |
| 重复精度 |
mm |
0.01 |
| 推荐电刷电流 |
μA |
1 |
| 电刷最大电流 |
mA |
10 |
| 最大工作电压 |
V |
42 |
| 信号输出 |
|
0-5V,0-10V,±5V,4-20mA |
| 分辨率 |
|
infinite |
| 输出平滑度 |
% |
0.1 |
| 绝缘电阻 |
MΩ |
≥10 |
| 温度系数 |
ppm/k |
5 |
| 尺寸 A |
mm |
52 |
67 |
92 |
117 |
142 |
| 机械行程(M.T) |
mm |
14 |
30 |
55 |
80 |
105 |
| 驱动力 |
N |
≤3 |
| 工作温度 |
℃ |
-60······150 |
| 振动频率 |
Hz |
5······2000 |
| 振幅 |
mm |
0.8 |
| 加速度 |
g |
20 |
| 寿命 |
cycle |
10×106 |
| 工作速度 |
m/s |
≤10 |
|
声明:
以上表中所列数据,是在环境温度25℃,相对湿度52%,传感器作为分压器使用时(电刷电流不超过1μA)的情况下的测试结果
|
|