|
| |
| 直线位移传感器,电子尺,角度传感器,TOCOS电位器,贵金属电刷,汽车节气门位置传感器,厚膜电阻片 ,多圈电位器,光栅尺,节气门电刷 ,导电塑料电阻片,行程开关,直线位移传感器,电子尺,角度传感器,TOCOS电位器,NOVOTECHNIK传感器,贵金属电刷,汽车节气门位置传感器,厚膜电阻片 ,多圈电位器,光栅尺,节气门电刷 ,导电塑料电阻片,行程开关,直线位移传感器,电子尺,角度传感器,TOCOS电位器,NOVOTECHNIK传感器,贵金属电刷,汽车节气门位置传感器,厚膜电阻片 ,多圈电位器,光栅尺,节气门电刷 ,导电塑料电阻片,行程开关,直线位移传感器,电子尺,角度传感器,TOCOS电位器,贵金属电刷,汽车节气门位置传感器,厚膜电阻片 ,多圈电位器,光栅尺,节气门电刷 ,导电塑料电阻片,行程开关,直线位移传感器,电子尺,角度传感器,TOCOS电位器,NOVOTECHNIK传感器,贵金属电刷,汽车节气门位置传感器,厚膜电阻片 ,多圈电位器,光栅尺,节气门电刷 ,导电塑料电阻片,行程开关,电子尺,,电子尺,,电子尺, |
|
|
|
|
| 您现在的位置:上海拓准电子科技科有限公司>
产品资讯-台湾moujen行程开关-ME |
|
|
|
|
|
| |
小型橫式限制開關 (Made in
Taiwan) |
|
功能 : |
可配合各種不同之連桿及頭 |
具多種使用特性曲線 |
接線頭具帽式覆蓋螺絲 |
可調式 |
內裝接地螺絲 |
防塵、防油、防水 |
適用溫度 +5 至
+160 .
(-15 to
+70 )
. |
| |
 |
FIELD ADJUSTABLE |
| |
Rotary motion roller lever and rod actuators are
adjustable
through 360°. They may be set for operation
clockwise, counter-clockwise, or in both directions. Operating
heads may be positioned in any of four 90° positions. |
| |
|
 |
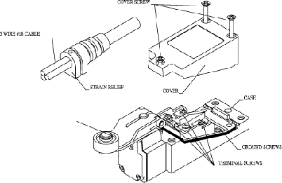
EASY WIRING : |
| 1. |
Loosen cover screws and remove cover. |
| 2. |
Remove rubber strain relief from switch cover. |
| 3. |
Slip strain relief over cable. |
| 4. |
Fasten terminal screws and grounding screw tightly after
inserting cables or terminals. |
| 5. |
After wiring insert strain refief into the groove of the
switch cover. |
| 6. |
Fasten 3 cover screws evenly. Do not over tighten. |
| 7. |
Recommended Cable-# 18/3 SJT Flexible. |
|
|
|
|
 |
|
|
特性 : |
|
|
|
|
| Operating speed |
0.5mm to 50m/sec |
| Operating frequency |
Mechanically:120
operations/min.
Electrcally:30 operatioms/min. |
| Contact resistance |
15m max.(initial) |
| Insulation resistance |
100M min,(at 500 VDC) |
| Dielectric strength |
1,000VAC. 50/60 Hz for 1 minute
between non-continuous terminals
2,000VAC. 50/60 Hz
for 1 minute between each terminal and non-current
carrying metal part and between each terminal and
ground. |
| Vibration |
Malfunction durability:10 to 55
Hz;
1.5mm double amplitude. |
| Shock |
Mechanical durability:
Approx.
1,000m/sec2 (approx.100G's)
Malfunction
durability :
Approx.300m/sec2 (approx.30G's) |
| Ambient temperature |
Operating : -15 to +70 |
| Humidity |
95% RH max |
| Service life |
Mechanically: 10,000,000 operations
min
Electrically: 300,000 operations
min,(2A,110VAC)MAX. |
| Degree of protection |
IEC 529 class IP65 |
|
|
|
|
|
|
|
|
ORDER GUIDE |
|
|
|
|
標準型
| ME-8104 |
ME-8107 |
ME-8018 |
ME-8111 |
ME-8112 |
| ME-8122 |
ME-8166 |
ME-8169 |
ME-9101 |
ME-8000 |
平上蓋(定製品)
| ME-8104F |
ME-8107F |
ME-8018F |
ME-8111F |
ME-8112F |
| ME-8122F |
ME-8166F |
ME-8169F |
ME-9101F |
|
金屬滾輪 (定製品)
50mm
橡膠滾輪 (定製品) : 50mm
塑膠滾輪 (定製品)
動作柄1/4白鐵 3/4 彈簧(定製品)
|
|
|
|
REMARK : |
|
|
|
金屬滾輪型式 :
塑膠滾輪型式 :
50mm
橡膠滾輪型式 :
動作柄1/4白鐵 3/4 :
| ME-9101-HI |
→ 1/4 steel and 3/4
spring |
|
|
|
|
|
|
|
|
| |
|
|
|
|
|
|
|
|
|
|
|
|
|